8 (495) 128-16-41Ежедневно с 9:00 до 22:00
info@mgvtt.ru
Автоматический котел КВ на угле 400 КВт
Автоматический котел КВ на угле 400 КВт
Автоматический котел КВ на угле 400 КВт
Автоматический котел КВ на угле 400 КВт
Автоматический котел КВ на угле 400 КВт
Автоматический котел КВ на угле 400 КВт
Автоматический котел КВ на угле 400 КВт
Автоматический котел КВ на угле 400 КВт
Автоматический котел КВ на угле 400 КВт
Автоматический котел КВ на угле 400 КВт
Автоматический котел КВ на угле 400 КВт
Автоматический котел КВ на угле 400 КВт

Автоматический котел КВ на угле 400 КВт

Цена с НДС
255 000 р.

Уточнить цену с доставкой
Отапливаемая площадь : 4000, м²
Отапливаемый объём : 12000, м³
Вид топлива : Каменный уголь, Бурый уголь

Описание

Устройство и назначение

Автоматический котел КВ на угле 400 КВт – это сварной металлический корпус и топка из газоплотной стали, специализированная в работе с твердыми видами топлива. В качестве горючего не рекомендуется использование высокозольного и высоковлажного материала. Влажность топлива не должна превышать 40%. Для отвода воды в тепловую сеть, ее подвода, слива и избавления от воздуха в котле, прибор оснащается специальной запорной арматурой.

Особенность автоматического котла КВ на угле 400 КВт заключается в слоевом сжигании топлива. Таким образом, горючее расходуется более экономично, за счет длительного и локального сжигания. Твердые отходы горения удаляются механическим путем, а дымовые газы выходят через дымоход.

Условное обозначение

Автоматический котел КВ на угле 400 КВт – «котел водогрейный твердотопливный со слоевым сжиганием»

Преимущества

  • Экономичный расход топлива за счет слоевого принципа сжигания и вместительной топливной камеры;
  • Значительная устойчивость к образованию накипи благодаря высокой постоянной скорости воды;
  • Надежная конструкция обеспечивает длительность эксплуатации без необходимости в ремонте;
  • Легкость и низкие требования в установке оборудования;
  • Автоматизация процессов значительно упрощает пользование прибора;
  • Большая производительность и высокий коэффициент полезного действия.

Комплектация

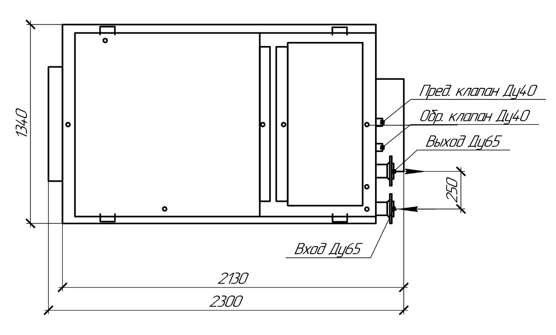
В основную комплектацию входят: котельный блок, топка, вентили, вентилятор, предохранительные клапаны, дисковые затворы, термометры, манометры, трехходовые краны. Кроме того, поставка сопровождается паспортом товара и инструкцией по эксплуатации автоматического котла КВ на угле 400 КВт.


Характеристики

Мощность, Гкал0.34
Мощность, кВт400
Мощность, МВт0.4
КПД, не менее, %82
Отапливаемая площадь, м²4000
Отапливаемый объём, м³12000
Расход теплоносителя среды, м³/ч14
Расход топлива, кг/ч94
Масса котла (без воды), кг1840
ТипКВ
Вид топливаКаменный уголь, Бурый уголь
ТягаПринудительная
Температура уходящих газов, °C170…250
Габаритные размеры (ДxШxВ), мм1982x1340x2100

Чертежи

Автоматический котел КВ на угле 400 КВт
Автоматический котел КВ на угле 400 КВт
Автоматический котел КВ на угле 400 КВт
Автоматический котел КВ на угле 400 КВт
Автоматический котел КВ на угле 400 КВт
Автоматический котел КВ на угле 400 КВт
Автоматический котел КВ на угле 400 КВт
Автоматический котел КВ на угле 400 КВт
Автоматический котел КВ на угле 400 КВт
Автоматический котел КВ на угле 400 КВт

Отзывы

Иван Дмитриев
Иван Дмитриев

Алексей Сафронов
Алексей Сафронов

Ольга Маркова
Ольга Маркова

Михаил Панкратов
Михаил Панкратов

Руслан Миронов
Руслан Миронов

Марина Иванова
Марина Иванова

Евгений Осокин
Евгений Осокин

Владимир Ефанов
Владимир Ефанов

Анатолий Карпов
Анатолий Карпов

Сергей Трухачев
Сергей Трухачёв

Рассчитайте мощность оборудования
за 3 шага

1/3 Укажите параметры здания
2/3 Укажите регион и населенный пункт
3/3 Укажите контактные данные

Вы недавно смотрели

Все товары